

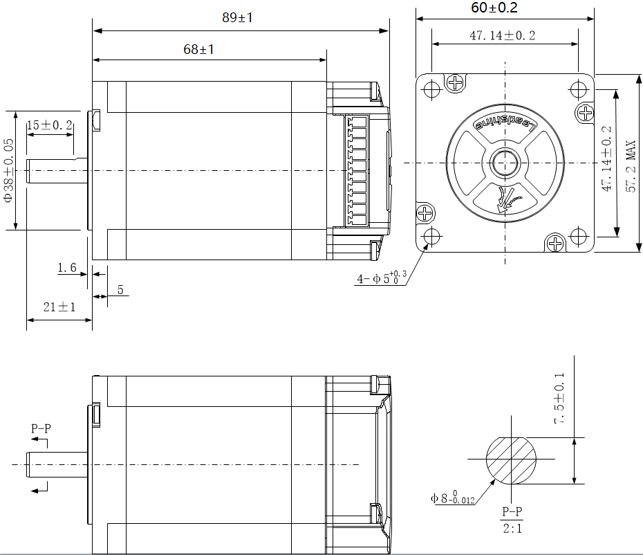
● NEMA23, 2.1N.m
● No tuning for easy setup
● Soft-start with no “jump” when powered on
● Low noise and vibration, smooth motion
● Step&Direction or CW&CCW control
● 3 digital inputs, 1 optically isolated digital output
● RS232 communication for Leadshine software connection
● Over voltage, over current protections
iEM series is stepper motor integrated a digital stepper drive. It implements advanced control algorithm of Leadshine based on its tens of years’ experience in stepper and servo controls. At very compact size can save mounting space, eliminate motor wiring time, reduce interference, and cut/reduce cable and labor costs.
The iEM series is reliable and affordable and performs excellent in many industrial applications such as CNC, 3D printer, stage equipment, medical, electronics, packaging...