

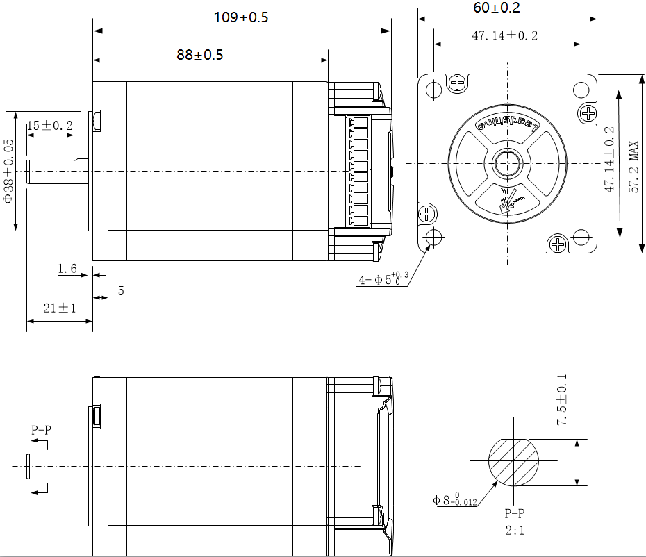
● NEMA23, 3.1N.m
● Enhance performance, especially at low-speed application (<60RPM)
● Soft-start with no “jump” when powered on
● Pulse & direction (PUL&DIR) or CW&CCW (double pulse) control
● 3 digital inputs, 1 optically isolated digital output
● 14-bit single-turn increment encoder
● RS232 communication for Leadshine software connection
iCS series is integrated closed-loop stepper motor with 14-bit single-turn absolute encoder for smooth and jitter-free motor start-up.
iCS series motors output torque can up to 3.5Nm and supports Modbus RS485 communication with Indexer control function. And with a more compact design, it is especially suitable for applications with strict mounting space requirements, and it is easy to use, which can further reduce customers' procurement and labor costs.